86-021-54422420 13818829143
86-021-54422402 17701898099
All products
联轴器 Coupling
传动轮 Pulley
胀套 Lock
丝杆导轨 ScrewGuide
离合制动器 Clutch
传动器 Actuators
皮带 Belt
电机 Motor
轴承 Bearing

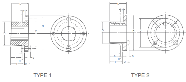
美标QD锥套:QD Bushing Specifications
【迈动工业】美标QD锥套它属于带锥度的开裂式内胀套。
【优特点】
美标QD锥套与TB锥套不同,它带有法兰,在端面锁紧,具有更大的承受负载能力,也可以满足更大的扭矩径向冲击。
同TB锥套一样,它也具有很优秀的装折快速,节时高效的能力。
同时也可以满足和弥补轴或轴孔子公差的精密,紧密传动配合能是,
是现代化机械设计中上等和优选的方安之一。




迈动工业QD锥套
| QD锥套 | 尺寸 (英尺) DIMENSION(INCHES) | 螺栓圆 | 螺丝规格 | d 孔径范围 store bore | 约重 | ||||||||
| BUSHING | A | B | D | E | F | G | L | D0 | Screws | 最小 Min | 最大孔标键 | 最大孔浅键 | Weight |
| H | 1/4 | 1.625 | 2-1/2 | 1 | 7/8 | 1/8 | 1 1/4 | 50.8 | 2-1/4×3/4 | 12.7 | 31.8 | 38.1 | 0.3 |
| JA | 3/8 | 1.375 | 2 | 11/16 | 9/16 | 1/8 | 1 1/16 | 42.3 | 3-10×1 | 9.5 | 25.4 | 31.8 | 0.4 |
| SH | 7/16 | 1.871 | 2-11/16 | 1 | 13/16 | 1/8 | 1 3/18 | 57.2 | 3-1/4×1 3/8 | 12.7 | 34.9 | 42.9 | 0.5 |
| SDS | 1/2 | 2.187 | 3-3/16 | 7/8 | 3/4 | 1/8 | 1 3/8 | 68.3 | 3-1/4×1 3/8 | 12.7 | 42.9 | 50.8 | 0.5 |
| SD | 1/2 | 2.187 | 3-3/16 | 1-3/8 | 1 1/4 | 1/8 | 1 7/8 | 68.3 | 3-1/4×1 7/8 | 12.7 | 42.9 | 49.2 | 0.7 |
| SK | 9/16 | 2.812 | 3-7/8 | 1-3/8 | 1 1/4 | 1/8 | 1 15/16 | 84.1 | 3-5/16×2 | 12.7 | 54.0 | 63.5 | 0.9 |
| SF | 9/16 | 3.125 | 4-5/8 | 1-1/2 | 1 1/4 | 1/4 | 2 1/16 | 98.4 | 3-3/8×2 | 12.7 | 58.7 | 71.4 | 1.4 |
| E | 3/4 | 3.834 | 6 | 1 7/8 | 1 5/8 | 1/4 | 2 5/8 | 127 | 3-1/2×2 3/4 | 22.2 | 73.0 | 88.9 | 4.5 |
| F | 13/16 | 4.437 | 6-5/8 | 2-13/16 | 2 1/2 | 5/16 | 3 5/8 | 142.9 | 3-9/16×3 5/8 | 25.4 | 84.1 | 100.0 | 5.2 |
| J | 1 | 5.148 | 7-1/4 | 3-1/2 | 3 3/16 | 5/16 | 4 1/2 | 158.8 | 3-5/8×4 1/2 | 36.5 | 95.3 | 114.3 | 8.2 |
| M | 11/4 | 6.500 | 9 | 5-1/2 | 5 3/16 | 5/16 | 6 3/4 | 200.0 | 4-3/4×6 3/4 | 49.2 | 120.7 | 139.7 | 16.8 |
| N | 38.1 | 177.8 | 254 | 168.3 | 158.8 | 11.1 | 206.4 | 215.9 | 4-3/4~8-1/8 | 61.9 | 130.2 | 152.4 | 25.9 |
| P | 44.5 | 209.6 | 298.5 | 193.7 | 184.2 | 12.7 | 238.1 | 254.0 | 5x9-1/2 | 74.6 | 150.8 | 177.8 | 54.5 |
| W | 50.8 | 265.1 | 381 | 238.1 | 228.6 | 12.7 | 288.9 | 323.9 | 4-1/8x11-1/2 | 101.6 | 190.5 | 215.9 | 113.4 |
| S | 82.6 | 308.0 | 450.9 | 317.5 | 304.8 | 12.7 | 400.1 | 381.0 | 5-1-1/4~x15-1/2 | 152.4 | 206.8 | 254.0 | 181.5 |
| QD套内孔 614 | 采用ANSI标准 | |
| 型号 | 公制孔范围 | 英制孔范围 |
| Typle | metric bore | inch bore |
| H | 10-35 | 1/2~1-1/2 |
| JA | 10-28 | 1/2~1-1/4 |
| SH | 24-35 | 1/2~1-11/16 |
| SD | 24-42 | 1/2~2 |
| SDS | 24-42 | 1/2~2 |
| SK | 24-55 | 1/2~2-5/8 |
| SF | 28-60 | 1/2~2-15/16 |
| E | 35-75 | 7/8~3-1/2 |
| F | 25-90 | 1~4 |
| J | 50-100 | 1-7/16~4-1/4 |
| M | 50-130 | 1-15/16~5-1/2 |
| N | 80-140 | 2-1/2~5-7/8 |
| P | 70-150 | 2-15/16~6-1/2 |
| W | 100-170 | 4~7 |
QD套英制标孔对应键槽 Stock lnch Bore Bushings
| QD内孔 Stock Bores | 键槽 Keyseat | JA | SH | SDS | SD | SK | SF | E | F | J |
| 3/8 | None | v | - | - | - | - | - | - | - | - |
| 7/16 | None | v | v | - | - | - | - | - | - | - |
| 1/2 | 1/8x1/16 | v | v | v | v | v | v | - | - | - |
| 9/16 | 1/8x1/16 | v | v | v | v | v | v | - | - | - |
| 5/8 | 3/16x3/32 | v | v | v | v | v | v | v | v | - |
| 11/16 | 3/16x3/32 | v | v | v | v | v | v | v | v | - |
| 3/4 | 3/16x3/32 | v | v | v | v | v | v | v | v | - |
| 13/16 | 3/16x3/32 | v | v | v | v | v | v | v | v | - |
| 7/8 | 3/16x3/32 | v | v | v | v | v | v | v | v | - |
| 15/16 | 1/4x1/8 | v | v | v | v | v | v | v | v | - |
| 1 | 1/4x1/8 | v | v | v | v | v | v | v | v | v |
| 1 1/16 | 1/4x1/8 | v | v | v | v | v | v | v | v | v |
| 1 1/8 | 1/4x1/8 | v | v | v | v | v | v | v | v | v |
| 1 3/16 | 1/4x1/8 | v | v | v | v | v | v | v | v | v |
| 1 1/4 | 1/4x1/8 | v | v | v | v | v | v | v | v | v |
| 1 5/16 | 5/16x5/32 | - | v | v | v | v | v | v | v | v |
| 1 5/16 | 3/8x3/16 | - | v | v | v | v | v | v | v | v |
| 1 3/8 | 5/16x5/32 | - | v | v | v | v | v | v | v | v |
| 1 3/8 | 3/8x3/16 | - | v | v | v | v | v | v | v | v |
| 1 7/16 | 3/8x3/16 | - | v | v | v | v | v | v | v | v |
| 1 1/2 | 3/8x3/16 | - | v | v | v | v | v | v | v | v |
| 1 9/16 | 3/8x3/16 | - | v | v | v | v | v | v | v | v |
| 1 5/8 | 3/8x3/16 | - | v | v | v | v | v | v | v | v |
| 1 11/16 | 3/8x3/16 | - | v | v | v | v | v | v | v | v |

| QD内孔 Stock Bores | 键槽 Keyseat | SDS | SD | SK | SF | E | F | J | M | N |
| 1 3/4 | 3/8x3/16 | v | v | v | v | v | v | v | - | |
| 1 13/16 | 1/2x1/4 | v | v | v | v | v | v | v | - | |
| 1 7/8 | 1/2x1/4 | v | v | v | v | v | v | v | - | |
| 1 15/16 | 1/2x1/4 | v | v | v | v | v | v | v | v | - |
| 2 | 1/2x1/4 | v | v | v | v | v | v | v | v | - |
| 2 1/16 | 1/2x1/4 | - | - | v | v | v | v | v | v | - |
| 2 1/8 | 1/2x1/4 | - | - | v | v | v | v | v | v | - |
| 2 3/16 | 1/2x1/4 | - | - | v | v | v | v | v | v | - |
| 2 1/4 | 1/2x1/4 | - | - | v | v | v | v | v | v | - |
| 2 5/16 | 5/8x5/16 | - | - | v | v | v | v | v | v | - |
| 2 3/8 | 5/8x5/16 | - | - | v | v | v | v | v | v | - |
| 2 7/16 | 5/8x5/16 | - | - | v | v | v | v | v | v | v |
| 2 1/2 | 5/8x5/16 | - | - | v | v | v | v | v | v | v |
| 2 9/16 | 5/8x5/16 | - | - | v | v | v | v | v | v | v |
| 2 5/8 | 5/8x5/16 | - | - | v | v | v | v | v | v | v |
| QD内孔 Stock Bores | 键槽 Keyseat | SF | E | F | J | M | N | P |
| 2 11/16 | 5/8x5/16 | v | v | v | v | v | v | - |
| 2 3/4 | 5/8x5/16 | v | v | v | v | v | v | - |
| 2 13/16 | 3/4x3/8 | v | v | v | v | v | v | - |
| 2 7/8 | 3/4x3/8 | v | v | v | v | v | v | - |
| 2 15/16 | 3/4x3/8 | v | v | v | v | v | v | v |
| 3 | 3/4x3/8 | - | v | v | v | v | v | v |
| 3 1/16 | 3/4x3/8 | - | v | v | v | v | v | v |
| 3 1/8 | 3/4x3/8 | - | v | v | v | v | v | v |
| 3 3/16 | 3/4x3/8 | - | v | v | v | v | v | v |
| 3 1/4 | 3/4x3/8 | - | v | v | v | v | v | v |
| 3 5/16 | 7/8x7/16 | - | v | v | v | v | v | v |
| 3 3/8 | 7/8x7/16 | - | v | v | v | v | v | v |
| 3 7/16 | 7/8x7/16 | - | v | v | v | v | v | v |
| 3 1/2 | 7/8x7/16 | - | v | v | v | v | v | v |
| 3 9/16 | 7/8x7/16 | - | - | v | v | v | v | v |
| 3 5/8 | 7/8x7/16 | - | - | v | v | v | v | v |
| 3 11/16 | 7/8x7/16 | - | - | v | v | v | v | v |
| 3 3/4 | 7/8x7/16 | - | - | v | v | v | v | v |
| 3 13/16 | 7/8x7/16 | - | - | v | v | v | v | v |
| 3 7/8 | 1x1/2 | - | - | v | v | v | v | v |
| 3 15/16 | 1x1/2 | - | - | v | v | v | v | v |
| 4 | 1x1/2 | - | - | v | v | v | v | v |
| QD内孔 Stock Bores | 键槽 Keyseat | J | M | N | P |
| 4 1/16 | 1x1/2 | v | v | v | v |
| 4 1/8 | 1x1/2 | v | v | v | v |
| 4 3/16 | 1x1/2 | v | v | v | v |
| 4 1/4 | 1x1/2 | v | v | v | v |
| 5 5/16 | 1x1/2 | v | v | v | v |
| 4 3/8 | 1x1/2 | v | v | v | v |
| 4 7/16 | 1x1/2 | v | v | v | v |
| 4 1/2 | 1x1/2 | v | v | v | v |
| 4 9/16 | 1x1/2 | - | v | v | v |
| 4 5/8 | 1 1/4x5/8 | - | v | v | v |
| 4 11/16 | 1 1/4x5/8 | - | v | v | v |
| 4 3/4 | 1 1/4x5/8 | - | v | v | v |
| 4 13/16 | 1 1/4x5/8 | - | v | v | v |
| 4 7/8 | 1 1/4x5/8 | - | v | v | v |
| 4 15/16 | 1 1/4x5/8 | - | v | v | v |
| 5 | 1 1/4x5/8 | - | v | v | v |
| 5 1/16 | 1 1/4x5/8 | - | v | v | v |
| 5 1/8 | 1 1/4x5/8 | - | v | v | v |
| 5 3/16 | 1 1/4x5/8 | - | v | v | v |
| 5 1/4 | 1 1/4x5/8 | - | v | v | v |
| 5 5/16 | 1 1/4x5/8 | - | v | v | v |
| 5 3/8 | 1 1/4x5/8 | - | v | v | v |
| 5 7/16 | 1 1/4x5/8 | - | v | v | v |
| 5 1/2 | 1 1/4x5/8 | - | v | v | v |
| QD内孔 Stock Bores | 键槽 Keyseat | N | P |
| 5 9/16 | 1 1/2x3/4 | v | v |
| 5 5/8 | 1 1/2x3/4 | v | v |
| 5 11/16 | 1 1/2x3/4 | v | v |
| 5 3/4 | 1 1/2x3/4 | v | v |
| 5 13/16 | 1 1/2x3/4 | v | v |
| 5 7/8 | 1 1/2x3/4 | v | v |
| 5 15/16 | 1 1/2x3/4 | v | |
| 6 | 1 1/2x3/4 | v | |
| 6 1/16 | 1 1/2x3/4 | v | |
| 6 1/8 | 1 1/2x3/4 | v | |
| 6 3/16 | 1 1/2x3/4 | v | |
| 6 1/4 | 1 1/2x3/4 | v | |
| 6 5/16 | 1 1/2x3/4 | v | |
| 6 3/8 | 1 1/2x3/4 | v | |
| 6 7/16 | 1 1/2x3/4 | v | |
| 6 1/2 | 1 1/2x3/4 | v | |
| 6 9/16 | 1 3/4x3/4 | v | |
| 6 5/8 | 1 3/4x3/4 | v | |
| 6 11/16 | 1 3/4x3/4 | v | |
| 6 3/4 | 1 3/4x3/4 | v | |
| 6 13/16 | 1 3/4x3/4 | v | |
| 6 7/8 | 1 3/4x3/4 | v | |
| 6 15/16 | 1 3/4x3/4 | v | |
| 7 | 1 3/4x3/4 | v |

公司名称:上海迈动机电设备有限公司
公司地址:上海青浦工业区崧海路98号
邮政编码:201703
公司电话:021-54422420
公司传真:021-54422420-801
邮箱:shmidon@126.com
户名:上海迈动机电设备有限公司
税号:310112660703692
开户行:工行上海莘庄支行
账号:1001140209007024765
电话:021-54422420 54422402
传真:021-54422420-801
地址:上海莘庄工业园区申富路128号(开票)
地址:上海青浦工业园区崧海路98号(收货地址)
上海迈动机电设备有限公司提供17%的增值税发票;
品质100%保证,让你更放心使用。
ADD:上海迈动机电设备有限公司 备案号:沪ICP备15037005
TEL:86-021-54422420,021-544227902 ,021-54422402 MB:13818829143,17701898099