86-021-54422420 13818829143
86-021-54422402 17701898099
All products
联轴器 Coupling
传动轮 Pulley
胀套 Lock
丝杆导轨 ScrewGuide
离合制动器 Clutch
传动器 Actuators
皮带 Belt
电机 Motor
轴承 Bearing

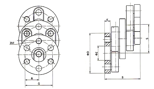
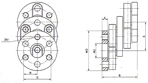
PX 平行式联轴器PXC, MEC PLG NSS 平行偏心联轴器
MPX平行线联轴器:平行联轴器具有在偏心工识下不影响转速和转矩的传递,加工简单,安装方便高刚性
,免维修,高效率等特点,适用于两水平平行轴传系统的联接
代替同行同类产品:代替PXC平行偏心联轴器, 代替MEC平行轴联轴器,代替PLG,代替NSS日本,
及台湾施密特连轴器PXC, MEC, PLG, NSS
采用德国进口轴承,转动顺畅,无卡顿,完全替代进口,偏心调节范围大适用范围广广泛应用适用于
多种设备:涂布机、木工机械、印刷机、包装机、造纸机、辊轧成形机。


PXC型平行联轴器的规格参数
| 型号 | 连杆数 | 最大变位量 | 启动时 扭矩 | 正常时 扭矩 | 最大回 转速度 | 尺寸 | 轴受基 本负荷 | 联接 销半径 | 重量 | 转动惯重 | |||||||
| 2S*0.95 | 直线 | D | B | S | Z(h7) | G | M | K | N | R | kg | kgm2 | |||||
| PXC7.3.7 | 3X2 | 68 | 65 | 137 | 49 | 3000 | 70 | 74 | 36 | 25 | 48 | M10 | 10 | 3870 | 0.024 | 1.3 | 9.03X10-4 |
| PXC7.7.9 | 3X2 | 133 | 128 | 196 | 68 | 2500 | 92 | 74 | 70 | 45 | 70 | M10 | 10 | 3870 | 0.035 | 1.9 | 2.69X10-3 |
| PXC10.9.12 | 3X2 | 171 | 165 | 600 | 196 | 2000 | 120 | 101 | 90 | 50 | 90 | M12 | 15 | 8920 | 0.045 | 4.9 | 1.15X10-2 |
| PXC13.9.14 | 3X2 | 171 | 165 | 1060 | 350 | 1800 | 140 | 134 | 90 | 55 | 100 | M16 | 22 | 14120 | 0.05 | 10.4 | 2.80X10-2 |
| PXC16.10.16 | 3X2 | 190 | 183 | 1850 | 640 | 1500 | 160 | 155 | 100 | 60 | 115 | M16 | 25 | 21570 | 0.057 | 15.7 | 5.8X10-2 |
| PXC20.9.20 | 3X2 | 171 | 165 | 3470 | 1180 | 1000 | 200 | 196 | 90 | 80 | 150 | M20 | 30 | 30890 | 0.075 | 27.0 | 1.61X10-1 |

PXC型平行联轴器的规格参数
| 型号 | 连杆数 | 最大变位量 | 启动时 扭矩 | 正常时 扭矩 | 最大回 转速度 | 尺寸 | 轴受基 本负荷 | 联接 销半径 | 重量 | 转动惯重 | |||||||
| 2S*0.95 | 直线 | D | B | S | Z(h7) | G | M | K | N | R | kg | kgm2 | |||||
| PXC20.9.20/4 | 4X2 | 171 | 165 | 4170 | 1370 | 600 | 200 | 196 | 90 | 80 | 150 | 4 | 30 | 30890 | 0.075 | 30 | 1.80X10-1 |
| PXC20.9.23/5 | 5X2 | 6280 | 2060 | 500 | 230 | 120 | 180 | 5 | 0.090 | 35 | 3.08X10-1 | ||||||
| PXC20.9.25/6 | 6X2 | 9340 | 2750 | 460 | 250 | 120 | 200 | 6 | 0.100 | 43 | 4.48X10-1 | ||||||
| PXC20.9.33/8 | 8X2 | 15700 | 5200 | 300 | 330 | 210 | 280 | 8 | 0.140 | 59 | 1.19 | ||||||
| PXC20.9.39/10 | 10X2 | 23500 | 7850 | 250 | 390 | 250 | 340 | 10 | 0.170 | 79 | 2.25 | ||||||

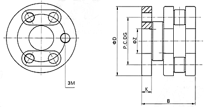
L型平行联轴器参数规格
| 型号 | 连杆数 | 偏心量 | 许用扭矩 | 最大回 转速度 | 尺寸 | 重量 | 转动惯重 | |||||
| B | S | Z(h7) | G | M | K | kg | kgm2 | |||||
| L7.7-02 | 2X2 | 2 | 93 | 2000 | 70 | 74 | 25 | 48 | M10 | 10 | 1.1 | 9.03X10-4 |
| L7.9-03 | 2X2 | 3 | 135 | 1800 | 92 | 74 | 45 | 70 | M10 | 10 | 1.7 | 2.69X10-3 |
| L10.12-04 | 2X2 | 4 | 402 | 1600 | 120 | 101 | 50 | 90 | M12 | 15 | 4.4 | 1.15X10-2 |
| L13.14-04 | 2X2 | 4 | 706 | 1400 | 140 | 134 | 55 | 100 | M16 | 22 | 9.1 | 2.80X10-2 |
| L16.16.04 | 2X2 | 4 | 1230 | 1200 | 160 | 155 | 60 | 115 | M16 | 25 | 13.9 | 5.8X10-2 |
| L20.20-04 | 2X2 | 4 | 2310 | 1000 | 200 | 196 | 80 | 150 | M20 | 30 | 24.1 | 1.61X10-1 |
公司名称:上海迈动机电设备有限公司
公司地址:上海青浦工业区崧海路98号
邮政编码:201703
公司电话:021-54422420
公司传真:021-54422420-801
邮箱:shmidon@126.com
户名:上海迈动机电设备有限公司
税号:310112660703692
开户行:工行上海莘庄支行
账号:1001140209007024765
电话:021-54422420 54422402
传真:021-54422420-801
地址:上海莘庄工业园区申富路128号(开票)
地址:上海青浦工业园区崧海路98号(收货地址)
上海迈动机电设备有限公司提供17%的增值税发票;
品质100%保证,让你更放心使用。
ADD:上海迈动机电设备有限公司 备案号:沪ICP备15037005
TEL:86-021-54422420,021-544227902 ,021-54422402 MB:13818829143,17701898099