86-021-54422420 13818829143
86-021-54422402 17701898099
All products
联轴器 Coupling
传动轮 Pulley
胀套 Lock
丝杆导轨 ScrewGuide
离合制动器 Clutch
传动器 Actuators
皮带 Belt
电机 Motor
轴承 Bearing

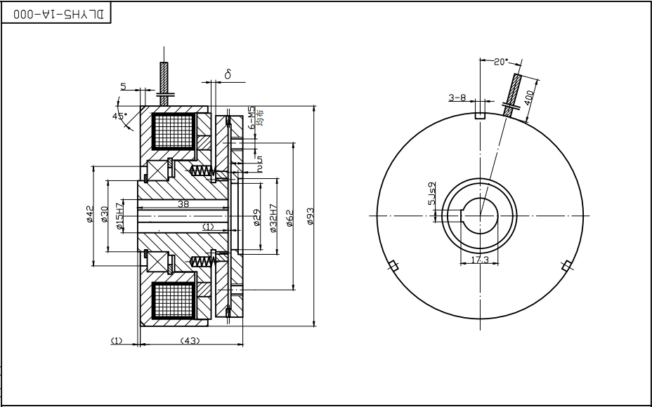
DLYH5-1A失电牙嵌离合器,失电离合器,常闭离合器, 小形离合器 10N.M
失电接合、通电分离,靠端面齿刚性啮合传递转矩,定位准、无滑差,适合低速 / 静止接合,常用于机床、包装、纺织等需要安全定位与离合的场合。
动作原理:通电(常态):线圈吸合衔铁,端面齿脱开,断转矩,设备可空转 / 停机。失电(保护 / 工作):电磁力消失,复位弹簧顶推衔铁,端面齿啮合,传递转矩并定位。
选型:按峰值转矩≥1.5× 工作转矩;结合时转速差越小越好;轴孔、键槽、同轴度按厂家要求;湿式 / 干式按工况定;需配套 DC24V 电源与滑环电刷维护。本离合器:DLYH5-1A 扭矩10N.M


公司名称:上海迈动机电设备有限公司
公司地址:上海青浦工业区崧海路98号
邮政编码:201703
公司电话:021-54422420
公司传真:021-54422420-801
邮箱:shmidon@126.com
户名:上海迈动机电设备有限公司
税号:310112660703692
开户行:工行上海莘庄支行
账号:1001140209007024765
电话:021-54422420 54422402
传真:021-54422420-801
地址:上海莘庄工业园区申富路128号(开票)
地址:上海青浦工业园区崧海路98号(收货地址)
上海迈动机电设备有限公司提供17%的增值税发票;
品质100%保证,让你更放心使用。
ADD:上海迈动机电设备有限公司 备案号:沪ICP备15037005
TEL:86-021-54422420,021-544227902 ,021-54422402 MB:13818829143,17701898099