86-021-54422420 13818829143
86-021-54422402 17701898099

ST型5V美标QD锥套皮带轮,5V美标锥套皮带轮, 5V皮带轮,美标皮带轮,锥套美标皮带轮,迈动工业美标皮带轮,精工研造,值得信任
迈动工业-美标锥套皮带轮,是一种通过轴向胀紧设计,加大轴向力矩延伸,向法兰和螺丝径向过度倍增力矩传递的一种高效轮轴传动方式,
既有轴向也径向复合交溶无隙精准传力,它实现远距传动和配合调速增减的变化,为其核心特性,是轮系传动中比较完美的产品。
一、高效传动与大功率支持
1. 大功率传递能力:STB型5V美标QD套皮带轮设计紧凑,适用于大功率动力传动场景,尤其在工农业机械中表现优异,能有效传递高扭矩需求。
2. 高平衡等级:动平衡等级达到G6.3,确保运转平稳,减少振动和噪音,适用于精密传动系统。
3.高精度与耐用性:采用高精度数控机床加工槽型,粗糙度低,减少皮带磨损,延长皮带寿命,同时确保传动效率。
二、优质材质与工艺
1. 材料选择:主要采用HT250灰铸铁或球墨铸铁(QT450),兼具高强度、耐磨性和抗冲击性,经时效处理消除内应力,确保长期使用不变形。
2. 表面工艺:通过化学处理覆盖防腐蚀膜,并喷涂烤漆或磷化处理,增强抗锈蚀能力,同时提升外观美观度。
3.防松设计:螺栓安装时顶住锥套盲孔底端,利用反向推力实现类似“双螺母”的防松效果,避免运行中松动。
三、常应用设备行业:
重工业领域:如矿山机械、风机、泵类等重载设备,自动化产线:需频繁维护的输送带、传动系统。 农业机械:联合收割机、拖拉机等振动较大的设备。


5V-2槽ST型皮带轮
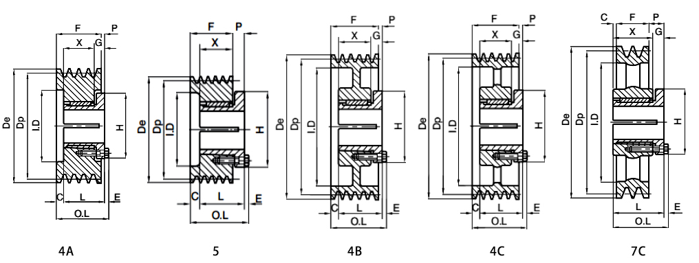
| 2槽 GROOVE,F=1 11/16 | 节径 P.D. | 外径 O.D. | 图例 Type | 内径 lnse | 尺寸 Dimensions | 重量 WT. LESS BUSH | |||||||
| 型号 Typle | 总长 O.L. | 轮宽 L | 轮套边长 P | 空边宽 C | 套外径 H | 轮套间距 G | 轮宽 X | 螺帽高 E | |||||
| 5V44-2-P1 | 4.3 | 4.4 | 4A | 3 3/16 | 2 3/16 | 1 15/16 | 1 /4 | - | 3 | 5/8 | 1 5/16 | 1/4 | 0.6 |
| 5V46-2-Q1 | 4.5 | 4.6 | 5 | 2 7/8 | 3 7/8 | 2 1/2 | 3/4 | 1 3/32 | 4 1/8 | - | 1 3/4 | 9/32 | 0.7 |
| 5V49-2-Q1 | 4.8 | 4.9 | 5 | 3 1/8 | 3 5/16 | 2 1/2 | 3/4 | 17/32 | 4 1/8 | - | 1 3/4 | 9/32 | 0.9 |
| 5V52-2-Q1 | 5.1 | 5.2 | 7A | - | 2 25/32 | 2 1/2 | 3/4 | 1/16 | 4 1/8 | 3/4 | 1 3/4 | 9/32 | 0.8 |
| 5V55-2-Q1 | 5.4 | 5.5 | 7A | - | 2 25/32 | 2 1/2 | 3/4 | 1/16 | 4 1/8 | 3/4 | 1 3/4 | 9/32 | 0.9 |
| 5V59-2-Q1 | 5.8 | 5.9 | 7A | - | 2 25/32 | 2 1/2 | 3/4 | 1/16 | 4 1/8 | 3/4 | 1 3/4 | 9/32 | 1.4 |
| 5V63-2-Q1 | 6.2 | 6.3 | 7A | - | 2 25/32 | 2 1/2 | 3/4 | 1/16 | 4 1/8 | 3/4 | 1 3/4 | 9/32 | 2.0 |
| 5V67-2-Q1 | 6.6 | 6.7 | 7A | - | 2 25/32 | 2 1/2 | 3/4 | 1/16 | 4 1/8 | 3/4 | 1 3/4 | 9/32 | 1.9 |
| 5V71-2-Q1 | 7 | 7.1 | 7A | - | 2 25/32 | 2 1/2 | 25/32 | 1/32 | 4 1/8 | 3/4 | 1 3/4 | 9/32 | 2.6 |
| 5V75-2-Q1 | 7.4 | 7.5 | 7A | - | 2 25/32 | 2 1/2 | 25/32 | 1/32 | 4 1/8 | 3/4 | 1 3/4 | 9/32 | 2.2 |
| 5V80-2-Q1 | 7.9 | 8 | 7B | 6 1/4 | 2 25/32 | 2 1/2 | 25/32 | 1/32 | 4 1/8 | 3/4 | 1 3/4 | 9/32 | 3.0 |
| 5V85-2-Q1 | 8.4 | 8.5 | 7B | 6 3/4 | 2 25/32 | 2 1/2 | 25/32 | 1/32 | 4 1/8 | 3/4 | 1 3/4 | 9/32 | 2.4 |
| 5V90-2-Q1 | 8.9 | 9 | 7B | 7 1/4 | 2 25/32 | 2 1/2 | 25/32 | 1/32 | 4 1/8 | 3/4 | 1 3/4 | 9/32 | 3.5 |
| 5V92-2-Q1 | 9.15 | 9.25 | 7C | 7 3/8 | 2 25/32 | 2 1/2 | 25/32 | 1/32 | 4 1/8 | 3/4 | 1 3/4 | 9/32 | 2.6 |
| 5V97-2-Q1 | 9.65 | 9.75 | 7C | 7 7/8 | 2 25/32 | 2 1/2 | 25/32 | 1/32 | 4 1/8 | 3/4 | 1 3/4 | 9/32 | 3.8 |
| 5V103-2-Q1 | 10.2 | 10.3 | 7C | 8 7/16 | 2 25/32 | 2 1/2 | 25/32 | 1/32 | 4 1/8 | 3/4 | 1 3/4 | 9/32 | 2.5 |
| 5V109-2-Q1 | 10.8 | 10.9 | 7C | 9 | 2 25/32 | 2 1/2 | 25/32 | 1/32 | 4 1/8 | 3/4 | 1 3/4 | 9/32 | 4.2 |
| 5V118-2-Q1 | 11.7 | 11.8 | 7C | 10 | 2 25/32 | 2 1/2 | 25/32 | 1/32 | 4 1/8 | 3/4 | 1 3/4 | 9/32 | 2.6 |
| 5V125-2-Q1 | 12.4 | 12.5 | 7C | 10 3/4 | 2 25/32 | 2 1/2 | 25/32 | 1/32 | 4 1/8 | 3/4 | 1 3/4 | 9/32 | 4.6 |
| 5V132-2-Q1 | 13.1 | 13.2 | 7C | 11 7/16 | 2 25/32 | 2 1/2 | 25/32 | 1/32 | 4 1/8 | 3/4 | 1 3/4 | 9/32 | 2.9 |
| 5V140-2-R1 | 13.9 | 14 | 7C | 12 1/4 | 3 25/32 | 2 7/8 | 1 1/32 | 5/32 | 5 3/8 | 7/8 | 2 | 9/32 | 5.3 |
| 5V150-2-R1 | 14.9 | 15 | 7C | 13 1/4 | 3 25/32 | 2 7/8 | 1 1/32 | 5/32 | 5 3/8 | 7/8 | 2 | 9/32 | 5.5 |
| 5V160-2-R1 | 15.9 | 16 | 7C | 14 1/4 | 3 25/32 | 2 7/8 | 1 1/32 | 5/32 | 5 3/8 | 7/8 | 2 | 9/32 | 4.9 |
| 5V212-2-R1 | 21.1 | 21.2 | 7C | 19 3/8 | 3 25/32 | 2 7/8 | 1 1/32 | 5/32 | 5 3/8 | 7/8 | 2 | 9/32 | 6.5 |
| 5V280-2-R1 | 27.9 | 28 | 7C | 26 1/4 | 3 25/32 | 2 7/8 | 1 1/32 | 5/32 | 5 3/8 | 7/8 | 2 | 9/32 | 7.8 |

5V-3槽ST型皮带轮
| 3槽 GROOVE,F=2 3/8 | 节径 P.D. | 外径 O.D. | 图例 Type | 内径 lnse | 尺寸 Dimensions | 重量 WT. LESS BUSH | |||||||
| 型号 Typle | 总长 O.L. | 轮宽 L | 轮套边长 P | 空边宽 C | 套外径 H | 轮套间距 G | 轮宽 X | 螺帽高 E | |||||
| 5V44-3-P1 | 4.3 | 4.4 | 4A | 3 3/16 | 2 23/32 | 1 15/16 | 3/32 | 17/32 | 3 | 5/8 | 1 5/16 | 1/4 | 3.1 |
| 5V46-3-Q1 | 4.5 | 4.6 | 5 | 2 7/8 | 4 3/4 | 2 1/2 | 3/4 | 1 25/32 | 4 1/8 | - | 1 3/4 | 9/32 | 7.6 |
| 5V49-3-Q1 | 4.8 | 4.9 | 5 | 3 1/8 | 3 13/32 | 2 1/2 | 3/4 | 5/8 | 4 1/8 | - | 1 3/4 | 9/32 | 7.3 |
| 5V52-3-Q1 | 5.1 | 5.2 | 5 | 3 1/2 | 3 13/32 | 2 1/2 | 3/4 | 5/8 | 4 1/8 | - | 1 3/4 | 9/32 | 5.8 |
| 5V55-3-Q1 | 5.4 | 5.5 | 5 | 3 3/4 | 3 13/32 | 2 1/2 | 3/4 | 5/8 | 4 1/8 | 3/4 | 1 3/4 | 9/32 | 7.5 |
| 5V59-3-Q1 | 5.8 | 5.9 | 4A | 4 3/16 | 2 31/32 | 2 1/2 | 5/16 | 3/16 | 4 1/8 | 3/4 | 1 3/4 | 9/32 | 8.6 |
| 5V63-3-Q1 | 6.2 | 6.3 | 4A | 4 9/16 | 2 31/32 | 2 1/2 | 5/16 | 3/16 | 4 1/8 | 3/4 | 1 3/4 | 9/32 | 10.3 |
| 5V67-3-Q1 | 6.6 | 6.7 | 4A | 5 | 2 31/32 | 2 1/2 | 5/16 | 3/16 | 4 1/8 | 3/4 | 1 3/4 | 9/32 | 12.0 |
| 5V71-3-Q1 | 7 | 7.1 | 4B | 5 3/8 | 2 31/32 | 2 1/2 | 5/16 | 3/16 | 4 1/8 | 3/4 | 1 3/4 | 9/32 | 13.9 |
| 5V75-3-Q1 | 7.4 | 7.5 | 4B | 5 3/4 | 2 31/32 | 2 1/2 | 5/16 | 3/16 | 4 1/8 | 3/4 | 1 3/4 | 9/32 | 16.0 |
| 5V80-3-R1 | 7.9 | 8 | 4B | 6 1/4 | 3 11/32 | 2 7/8 | 11/16 | 3/16 | 5 3/8 | 7/8 | 2 | 9/32 | 17.2 |
| 5V85-3-R1 | 8.4 | 8.5 | 4B | 6 3/4 | 3 11/32 | 2 7/8 | 11/16 | 3/16 | 5 3/8 | 7/8 | 2 | 9/32 | 20.5 |
| 5V90-3-R1 | 8.9 | 9 | 4B | 7 1/4 | 3 11/32 | 2 7/8 | 11/16 | 3/16 | 5 3/8 | 7/8 | 2 | 9/32 | 22.2 |
| 5V92-3-R1 | 9.15 | 9.25 | 4B | 7 3/8 | 3 11/32 | 2 7/8 | 11/16 | 3/16 | 5 3/8 | 7/8 | 2 | 9/32 | 24.1 |
| 5V97-3-R1 | 9.65 | 9.75 | 4B | 7 7/8 | 3 11/32 | 2 7/8 | 11/16 | 3/16 | 5 3/8 | 7/8 | 2 | 9/32 | 24.8 |
| 5V103-3-R1 | 10.2 | 10.3 | 4B | 8 7/16 | 3 11/32 | 2 7/8 | 11/16 | 3/16 | 5 3/8 | 7/8 | 2 | 9/32 | 26.4 |
| 5V109-3-R1 | 10.8 | 10.9 | 4B | 9 | 3 11/32 | 2 7/8 | 11/16 | 3/16 | 5 3/8 | 7/8 | 2 | 9/32 | 28.0 |
| 5V118-3-R1 | 11.7 | 11.8 | 4B | 10 | 3 11/32 | 2 7/8 | 11/16 | 3/16 | 5 3/8 | 7/8 | 2 | 9/32 | 31.9 |
| 5V125-3-R1 | 12.4 | 12.5 | 4C | 10 3/4 | 3 11/32 | 2 7/8 | 11/16 | 3/16 | 5 3/8 | 7/8 | 2 | 9/32 | 35.1 |
| 5V132-3-R1 | 13.1 | 13.2 | 4C | 11 7/16 | 3 11/32 | 2 7/8 | 11/16 | 3/16 | 5 3/8 | 7/8 | 2 | 9/32 | 29.0 |
| 5V140-3-R1 | 13.9 | 14 | 4C | 12 1/4 | 3 11/32 | 2 7/8 | 11/16 | 3/16 | 5 3/8 | 7/8 | 2 | 9/32 | 32.3 |
| 5V150-3-R1 | 14.9 | 15 | 4C | 13 1/4 | 3 11/32 | 2 7/8 | 11/16 | 3/16 | 5 3/8 | 7/8 | 2 | 9/32 | 35.0 |
| 5V160-3-R1 | 15.9 | 16 | 4C | 14 1/4 | 3 11/32 | 2 7/8 | 11/16 | 3/16 | 5 3/8 | 7/8 | 2 | 9/32 | 38.7 |
| 5V212-3-R1 | 21.1 | 21.2 | 4C | 19 3/8 | 3 11/32 | 2 7/8 | 11/16 | 3/16 | 5 3/8 | 7/8 | 2 | 9/32 | 52.0 |
| 5V280-3-R1 | 27.9 | 28 | 4C | 26 1/4 | 3 11/32 | 2 7/8 | 11/16 | 3/16 | 5 3/8 | 7/8 | 2 | 9/32 | 80.0 |
| 5V375-3-S1 | 37.4 | 37.5 | 7C | 35 3/4 | 4 3/4 | 4 3/8 | 1 17/32 | 15/32 | 6 3/8 | 1 1/16 | 3 5/16 | 3/8 | 147.0 |
| 5V500-3-UO | 49.9 | 50 | 7C | 48 1/4 | 5 13/32 | 4 15/16 | 1 7/8 | 11/16 | 8 3/8 | 1 3/16 | 3 3/4 | 15/32 | 216.0 |

迈动工业-QD锥套参数
| 型号 Part | 内孔范围 Bore Range | 键槽宽x高 keyeat | 螺套长 M | 总长 L | 平位长 G | 锥度长 X | 螺头厚 E | 套根长 T | 法兰厚 U | 小锥径 D | 外径 H | 重量 Wt.kg |
| P1 | 1/2-1 3/4 | 1/8"x1/16" | 2 3/16 | 1 15/16 | 5/8 | 1 5/16 | 1/4 | 1 17/32 | 13/32 | 1 15/16 | 3 | 0.57 |
| P2 | 3/4-1 3/4 | 3/16"x3/32" | 3 3/16 | 2 15/16 | 5/8 | 2 5/16 | 1/4 | 2 17/32 | 13/32 | 1 15/16 | 3 | 0.68 |
| Q1 | 3/4-2 11/16 | 1/4"x1/8" | 2 25/32 | 2 1/2 | 3/4 | 1 3/4 | 9/32 | 1 31/32 | 17/32 | 2 7/8 | 4 1/8 | 1.59 |
| Q2 | 1-2 5/8 | 5/16"x5/32" | 3 25/32 | 3 1/2 | 3/4 | 2 3/4 | 9/32 | 2 31/32 | 17/32 | 2 7/8 | 4 1/8 | 2.04 |
| Q3 | 1 3/8-2 1/2 | 3/8"x3/16" | 5 9/32 | 5 | 3/4 | 4 1/4 | 9/32 | 4 15/32 | 17/32 | 2 7/8 | 4 1/8 | 2.50 |
| R1 | 1 1/8-3 3/4 | 1/2"x1/4" | 3 5/32 | 2 7/8 | 7/8 | 2 | 9/32 | 2 1/4 | 5/8 | 4 | 5 3/8 | 3.41 |
| R2 | 1 3/8-3 5/8 | 5/8"x5/16" | 5 5/32 | 4 7/8 | 7/8 | 4 | 9/32 | 4 1/4 | 5/8 | 4 | 5 3/8 | 4.99 |
| S1 | 1 11/16-4 1/4 | 3/4"x3/8" | 4 3/4 | 4 3/8 | 1 1/16 | 3 5/16 | 3/8 | 3 5/8 | 3/4 | 4 5/8 | 6 3/8 | 6.13 |
| S2 | 1 7/8-4 3/16 | 7/8"x7/16" | 7 1/8 | 6 3/4 | 1 1/16 | 5 11/16 | 3/8 | 6 | 3/4 | 4 5/8 | 6 3/8 | 8.63 |
| UO | 2 3/8-3 3/16 | 1"x1/2" | 5 23/32 | 5 1/4 | 1 1/2 | 3 3/4 | 15/32 | 4 3/16 | 1 1/16 | 6 | 8 3/8 | 13.62 |
| UO | 3 1/4-5 1/2 | 1 1/4"x5/8" | 5 13/32 | 4 15/16 | 1 3/16 | 3 3/4 | 15/32 | 4 3/16 | 3/4 | 6 | 8 3/8 | 12.26 |

5V-4槽ST型皮带轮
| 4槽 GROOVE,F=3 1/16 | 节径 P.D. | 外径 O.D. | 图例 Type | 内径 lnse | 尺寸 Dimensions | 重量 WT. LESS BUSH | |||||||
| 型号 Typle | 总长 O.L. | 轮宽 L | 轮套边长 P | 空边宽 C | 套外径 H | 轮套间距 G | 轮宽 X | 螺帽高 E | |||||
| 5V44-4-P1 | 4.3 | 4.4 | 4A | 3 | 3 3/16 | 1 15/32 | 1/8 | 7/8 | 3 | 5/8 | 1 5/16 | 1/4 | 3.2 |
| 5V46-4-Q2 | 4.5 | 4.6 | 5 | 2 7/8 | 5 1/4 | 3 1/2 | 3/4 | 1 15/32 | 4 1/8 | - | 2 3/4 | 9/32 | 8.6 |
| 5V49-4-Q1 | 4.8 | 4.9 | 5 | 3 1/8 | 4 3/32 | 2 1/2 | 3/4 | 1 5/16 | 4 1/8 | - | 1 3/4 | 9/32 | 8.5 |
| 5V52-4-Q1 | 5.1 | 5.2 | 5 | 3 1/2 | 4 3/32 | 2 1/2 | 3/4 | 1 5/16 | 4 1/8 | - | 1 3/4 | 9/32 | 7.8 |
| 5V55-4-Q1 | 5.4 | 5.5 | 5 | 3 3/4 | 4 3/32 | 2 1/2 | 3/4 | 1 5/16 | 4 1/8 | 3/4 | 1 3/4 | 9/32 | 8.3 |
| 5V59-4-Q1 | 5.8 | 5.9 | 4A | 4 3/16 | 4 3/32 | 2 1/2 | 0 | 9/16 | 4 1/8 | 3/4 | 1 3/4 | 9/32 | 10.1 |
| 5V63-4-Q1 | 6.2 | 6.3 | 4A | 4 9/16 | 4 3/32 | 2 1/2 | 0 | 9/16 | 4 1/8 | 3/4 | 1 3/4 | 9/32 | 11.8 |
| 5V67-4-Q1 | 6.6 | 6.7 | 4A | 5 | 4 3/32 | 2 1/2 | 0 | 9/16 | 4 1/8 | 3/4 | 1 3/4 | 9/32 | 13.6 |
| 5V71-4-Q1 | 7 | 7.1 | 4B | 5 3/8 | 3 11/32 | 2 1/2 | 0 | 9/16 | 4 1/8 | 3/4 | 1 3/4 | 9/32 | 15.9 |
| 5V75-4-Q1 | 7.4 | 7.5 | 4B | 5 3/4 | 3 11/32 | 2 1/2 | 0 | 9/16 | 4 1/8 | 3/4 | 1 3/4 | 9/32 | 18.4 |
| 5V80-4-R1 | 7.9 | 8 | 4B | 6 1/4 | 3 11/16 | 2 7/8 | 11/32 | 17/32 | 5 3/8 | 7/8 | 2 | 9/32 | 19.4 |
| 5V85-4-R1 | 8.4 | 8.5 | 4B | 6 3/4 | 3 11/16 | 2 7/8 | 11/32 | 17/32 | 5 3/8 | 7/8 | 2 | 9/32 | 22.8 |
| 5V90-4-R1 | 8.9 | 9 | 4B | 7 1/4 | 3 11/16 | 2 7/8 | 11/32 | 17/32 | 5 3/8 | 7/8 | 2 | 9/32 | 24.5 |
| 5V92-4-R1 | 9.15 | 9.25 | 4B | 7 3/8 | 3 11/16 | 2 7/8 | 11/32 | 17/32 | 5 3/8 | 7/8 | 2 | 9/32 | 26.6 |
| 5V97-4-R1 | 9.65 | 9.75 | 4B | 7 7/8 | 3 11/16 | 2 7/8 | 11/32 | 17/32 | 5 3/8 | 7/8 | 2 | 9/32 | 28.0 |
| 5V103-4-R1 | 10.2 | 10.3 | 4B | 8 7/16 | 3 11/16 | 2 7/8 | 11/32 | 17/32 | 5 3/8 | 7/8 | 2 | 9/32 | 30.8 |
| 5V109-4-R1 | 10.8 | 10.9 | 4B | 9 | 3 11/16 | 2 7/8 | 11/32 | 17/32 | 5 3/8 | 7/8 | 2 | 9/32 | 31.7 |
| 5V118-4-R1 | 11.7 | 11.8 | 4B | 10 | 3 11/16 | 2 7/8 | 11/32 | 17/32 | 5 3/8 | 7/8 | 2 | 9/32 | 35.3 |
| 5V125-4-R1 | 12.4 | 12.5 | 4B | 10 3/4 | 3 11/16 | 2 7/8 | 11/32 | 17/32 | 5 3/8 | 7/8 | 2 | 9/32 | 37.9 |
| 5V132-4-R1 | 13.1 | 13.2 | 4C | 11 7/16 | 3 11/16 | 2 7/8 | 11/32 | 17/32 | 5 3/8 | 7/8 | 2 | 9/32 | 33.3 |
| 5V140-4-R1 | 13.9 | 14 | 4C | 12 1/4 | 3 11/16 | 2 7/8 | 11/32 | 17/32 | 5 3/8 | 7/8 | 2 | 9/32 | 36.5 |
| 5V150-4-R1 | 14.9 | 15 | 4C | 13 1/4 | 3 11/16 | 2 7/8 | 11/32 | 17/32 | 5 3/8 | 7/8 | 2 | 9/32 | 40.9 |
| 5V160-4-R1 | 15.9 | 16 | 4C | 14 1/4 | 3 11/16 | 2 7/8 | 11/32 | 17/32 | 5 3/8 | 7/8 | 2 | 9/32 | 43.3 |
| 5V212-4-R1 | 21.1 | 21.2 | 4C | 19 3/8 | 3 11/16 | 2 7/8 | 11/32 | 17/32 | 5 3/8 | 7/8 | 2 | 9/32 | 59.0 |
| 5V280-4-S1 | 27.9 | 28 | 7C | 26 1/4 | 4 3/4 | 4 3/8 | 1 3/16 | 1/8 | 6 3/8 | 1 1/16 | 3 5/16 | 3/8 | 135.0 |
| 5V375-4-S1 | 37.4 | 37.5 | 7C | 35 3/4 | 4 3/4 | 4 3/8 | 1 3/16 | 1/8 | 6 3/8 | 1 1/16 | 3 5/16 | 3/8 | 157.0 |
| 5V500-4-UO | 49.9 | 50 | 7C | 48 1/4 | 5 13/32 | 4 15/16 | 1 17/32 | 11/32 | 8 3/8 | 1 3/16 | 3 3/4 | 15/32 | 239.0 |

5V-5槽ST型皮带轮
| 5槽 GROOVE,F=3 3/4 | 节径 P.D. | 外径 O.D. | 图例 Type | 内径 lnse | 尺寸 Dimensions | 重量 WT. LESS BUSH | |||||||
| 型号 Typle | 总长 O.L. | 轮宽 L | 轮套边长 P | 空边宽 C | 套外径 H | 轮套间距 G | 轮宽 X | 螺帽高 E | |||||
| 5V46-5-Q2 | 4.5 | 4.6 | 5 | 2 7/8 | 5 15/16 | 3 1/2 | 3/4 | 2 5/16 | 4 1/8 | - | 2 3/4 | 9/32 | 8.9 |
| 5V49-5-Q2 | 4.8 | 4.9 | 5 | 3 1/8 | 5 3/8 | 3 1/2 | 3/4 | 1 | 4 1/8 | - | 2 3/4 | 9/32 | 9.2 |
| 5V52-5-Q2 | 5.1 | 5.2 | 5 | 3 1/2 | 4 25/32 | 3 1/2 | 3/4 | 1 | 4 1/8 | 3/4 | 2 3/4 | 9/32 | 9.0 |
| 5V55-5-Q2 | 5.4 | 5.5 | 5 | 3 3/4 | 4 25/32 | 3 1/2 | 3/4 | 1 | 4 1/8 | 3/4 | 2 3/4 | 9/32 | 10.8 |
| 5V59-5-Q2 | 5.8 | 5.9 | 4A | 4 3/16 | 4 3/32 | 3 1/2 | - | 1/4 | 4 1/8 | 3/4 | 2 3/4 | 9/32 | 13.2 |
| 5V63-5-Q2 | 6.2 | 6.3 | 4A | 4 9/16 | 4 3/32 | 3 1/2 | - | 1/4 | 4 1/8 | 3/4 | 2 3/4 | 9/32 | 15.9 |
| 5V67-5-Q2 | 6.6 | 6.7 | 4A | 5 | 4 3/32 | 3 1/2 | - | 1/4 | 4 1/8 | 3/4 | 2 3/4 | 9/32 | 18.6 |
| 5V71-5-Q2 | 7 | 7.1 | 4B | 5 3/8 | 4 1/32 | 3 1/2 | 0 | 1/4 | 4 1/8 | 3/4 | 2 3/4 | 9/32 | 22.0 |
| 5V75-5-Q2 | 7.4 | 7.5 | 4B | 5 3/4 | 4 1/32 | 3 1/2 | 0 | 1/4 | 4 1/8 | 3/4 | 2 3/4 | 9/32 | 25.0 |
| 5V80-5-R1 | 7.9 | 8 | 6B | 6 1/4 | 4 1/32 | 2 7/8 | 0 | 1/4 | 5 3/8 | 7/8 | 2 | 9/32 | 21.7 |
| 5V85-5-R1 | 8.4 | 8.5 | 6B | 6 3/4 | 4 1/32 | 2 7/8 | 0 | 7/8 | 5 3/8 | 7/8 | 2 | 9/32 | 25.1 |
| 5V90-5-R1 | 8.9 | 9 | 6B | 7 1/4 | 4 1/32 | 2 7/8 | 0 | 7/8 | 5 3/8 | 7/8 | 2 | 9/32 | 25.4 |
| 5V92-5-R1 | 9.15 | 9.25 | 6B | 7 3/8 | 4 1/32 | 2 7/8 | 0 | 7/8 | 5 3/8 | 7/8 | 2 | 9/32 | 28.4 |
| 5V97-5-R1 | 9.65 | 9.75 | 6B | 7 7/8 | 4 1/32 | 2 7/8 | 0 | 7/8 | 5 3/8 | 7/8 | 2 | 9/32 | 31.8 |
| 5V103-5-R1 | 10.2 | 10.3 | 6B | 8 7/16 | 4 1/32 | 2 7/8 | 0 | 7/8 | 5 3/8 | 7/8 | 2 | 9/32 | 32.5 |
| 5V109-5-R1 | 10.8 | 10.9 | 6B | 9 | 4 1/32 | 2 7/8 | 0 | 7/8 | 5 3/8 | 7/8 | 2 | 9/32 | 35.1 |
| 5V118-5-R1 | 11.7 | 11.8 | 6B | 10 | 4 1/32 | 2 7/8 | 0 | 7/8 | 5 3/8 | 7/8 | 2 | 9/32 | 38.8 |
| 5V125-5-R1 | 12.4 | 12.5 | 6B | 10 3/4 | 4 1/32 | 2 7/8 | 0 | 7/8 | 5 3/8 | 7/8 | 2 | 9/32 | 41.8 |
| 5V132-5-R1 | 13.1 | 13.2 | 6C | 11 7/16 | 4 1/32 | 2 7/8 | 0 | 7/8 | 5 3/8 | 7/8 | 2 | 9/32 | 37.1 |
| 5V140-5-R1 | 13.9 | 14 | 6C | 12 1/4 | 4 1/32 | 2 7/8 | 0 | 7/8 | 5 3/8 | 7/8 | 2 | 9/32 | 41.6 |
| 5V150-5-R1 | 14.9 | 15 | 6C | 13 1/4 | 4 1/32 | 2 7/8 | 0 | 7/8 | 5 3/8 | 7/8 | 2 | 9/32 | 45.0 |
| 5V160-5-R1 | 15.9 | 16 | 6C | 14 1/4 | 4 1/32 | 2 7/8 | 0 | 7/8 | 5 3/8 | 7/8 | 2 | 9/32 | 48.0 |
| 5V212-5-S1 | 21.1 | 21.2 | 4C | 19 3/8 | 4 31/32 | 4 3/8 | 27/32 | 7/32 | 6 3/8 | 1 1/16 | 3 5/16 | 3/8 | 90.0 |
| 5V250-5-S1 | 24.9 | 25 | 4C | 23 1/4 | 4 31/32 | 4 3/8 | 27/32 | 7/32 | 6 3/8 | 1 1/16 | 3 5/16 | 3/8 | 105.0 |
| 5V280-5-S1 | 27.9 | 28 | 4C | 26 1/4 | 4 31/32 | 4 3/8 | 27/32 | 7/32 | 6 3/8 | 1 1/16 | 3 5/16 | 3/8 | 120.0 |
| 5V375-5-UO | 37.4 | 37.5 | 4C | 35 3/4 | 5 13/32 | 4 15/16 | 1 3/16 | 0 | 8 3/8 | 1 3/16 | 3 3/4 | 15/32 | 185.0 |
| 5V500-5-UO | 49.9 | 50 | 4C | 48 1/4 | 5 13/32 | 4 15/16 | 1 3/16 | 0 | 8 3/8 | 1 3/16 | 3 3/4 | 15/32 | 244.0 |

5V-6槽ST型皮带轮
| 6槽 GROOVE,F=4 7/16 | 节径 P.D. | 外径 O.D. | 图例 Type | 内径 lnse | 尺寸 Dimensions | 重量 WT. LESS BUSH | |||||||
| 型号 Typle | 总长 O.L. | 轮宽 L | 轮套边长 P | 空边宽 C | 套外径 H | 轮套间距 G | 轮宽 X | 螺帽高 E | |||||
| 5V71-6-Q2 | 7 | 7.1 | 6B | 5 3/8 | 4 7/16 | 3 1/2 | 1/2 | 7/16 | 4 1/8 | 3/4 | 2 3/4 | 9/32 | 23.6 |
| 5V75-6-Q2 | 7.4 | 7.5 | 6B | 5 3/4 | 4 7/16 | 3 1/2 | 1/2 | 7/16 | 4 1/8 | 3/4 | 2 3/4 | 9/32 | 27.3 |
| 5V80-6-R1 | 7.9 | 8 | 6B | 6 1/4 | 4 7/16 | 2 7/8 | 11/32 | 1 7/32 | 5 3/8 | 7/8 | 2 | 9/32 | 23.3 |
| 5V85-6-R1 | 8.4 | 8.5 | 6B | 6 3/4 | 4 7/16 | 2 7/8 | 11/32 | 1 7/32 | 5 3/8 | 7/8 | 2 | 9/32 | 27.3 |
| 5V90-6-R1 | 8.9 | 9 | 6B | 7 1/4 | 4 7/16 | 2 7/8 | 11/32 | 1 7/32 | 5 3/8 | 7/8 | 2 | 9/32 | 28.8 |
| 5V92-6-R1 | 9.15 | 9.25 | 6B | 7 3/8 | 4 7/16 | 2 7/8 | 11/32 | 1 7/32 | 5 3/8 | 7/8 | 2 | 9/32 | 31.1 |
| 5V97-6-R1 | 9.65 | 9.75 | 6B | 7 7/8 | 4 7/16 | 2 7/8 | 11/32 | 1 7/32 | 5 3/8 | 7/8 | 2 | 9/32 | 34.5 |
| 5V103-6-R1 | 10.2 | 10.3 | 6B | 8 7/16 | 4 7/16 | 2 7/8 | 11/32 | 1 7/32 | 5 3/8 | 7/8 | 2 | 9/32 | 36.8 |
| 5V109-6-R1 | 10.8 | 10.9 | 6B | 9 | 4 7/16 | 2 7/8 | 11/32 | 1 7/32 | 5 3/8 | 7/8 | 2 | 9/32 | 39.6 |
| 5V118-6-R1 | 11.7 | 11.8 | 6B | 10 | 4 7/16 | 2 7/8 | 11/32 | 1 7/32 | 5 3/8 | 7/8 | 2 | 9/32 | 42.5 |
| 5V125-6-S1 | 12.4 | 12.5 | 4C | 10 3/4 | 5 5/16 | 4 3/8 | 1/2 | 9/16 | 6 3/8 | 1 1/16 | 3 5/16 | 3/8 | 65.0 |
| 5V132-6-S1 | 13.1 | 13.2 | 4C | 11 7/16 | 5 5/16 | 4 3/8 | 1/2 | 9/16 | 6 3/8 | 1 1/16 | 3 5/16 | 3/8 | 71.0 |
| 5V140-6-S1 | 13.9 | 14 | 4C | 12 1/4 | 5 5/16 | 4 3/8 | 1/2 | 9/16 | 6 3/8 | 1 1/16 | 3 5/16 | 3/8 | 70.0 |
| 5V150-6-S1 | 14.9 | 15 | 4C | 13 1/4 | 5 5/16 | 4 3/8 | 1/2 | 9/16 | 6 3/8 | 1 1/16 | 3 5/16 | 3/8 | 69.0 |
| 5V160-6-S1 | 15.9 | 16 | 4C | 14 1/4 | 5 5/16 | 4 3/8 | 1/2 | 9/16 | 6 3/8 | 1 1/16 | 3 5/16 | 3/8 | 79.0 |
| 5V212-6-S1 | 21.1 | 21.2 | 4C | 19 3/8 | 5 5/16 | 4 3/8 | 1/2 | 9/16 | 6 3/8 | 1 1/16 | 3 5/16 | 3/8 | 97.0 |
| 5V250-6-S1 | 24.9 | 25 | 4C | 23 1/4 | 5 5/16 | 4 3/8 | 1/2 | 9/16 | 6 3/8 | 1 1/16 | 3 5/16 | 3/8 | 113.0 |
| 5V280-6-S1 | 27.9 | 28 | 4C | 26 1/4 | 5 5/16 | 4 3/8 | 1/2 | 9/16 | 6 3/8 | 1 1/16 | 3 5/16 | 3/8 | 128.0 |
| 5V375-6-UO | 37.4 | 37.5 | 4C | 35 3/4 | 5 3/4 | 4 15/16 | 27/32 | 11/32 | 8 3/8 | 1 3/16 | 3 3/4 | 15/32 | 206.0 |
| 5V500-6-UO | 49.9 | 50 | 4C | 48 1/4 | 5 3/4 | 4 15/16 | 27/32 | 11/32 | 8 3/8 | 1 3/16 | 3 3/4 | 15/32 | 271.0 |

5V-8槽ST型皮带轮
| 8槽 GROOVE,F=5 13/16 | 节径 P.D. | 外径 O.D. | 图例 Type | 内径 lnse | 尺寸 Dimensions | 重量 WT. LESS BUSH | |||||||
| 型号 Typle | 总长 O.L. | 轮宽 L | 轮套边长 P | 空边宽 C | 套外径 H | 轮套间距 G | 轮宽 X | 螺帽高 E | |||||
| 5V71-8-Q2 | 7 | 7.1 | 6B | 5 3/8 | 5 13/16 | 3 1/2 | 1 | 1 5/16 | 4 1/8 | 3/4 | 2 3/4 | 9/32 | 27.9 |
| 5V75-8-Q2 | 7.4 | 7.5 | 6B | 5 3/4 | 5 13/16 | 3 1/2 | 1 | 1 5/16 | 4 1/8 | 3/4 | 2 3/4 | 9/32 | 32.1 |
| 5V80-8-R2 | 7.9 | 8 | 6B | 6 1/4 | 6 1/16 | 4 7/8 | 1/32 | 29/32 | 5 3/8 | 7/8 | 4 | 9/32 | 45.3 |
| 5V85-8-R2 | 8.4 | 8.5 | 6B | 6 3/4 | 6 1/16 | 4 7/8 | 1/32 | 29/32 | 5 3/8 | 7/8 | 4 | 9/32 | 45.5 |
| 5V90-8-R2 | 8.9 | 9 | 6B | 7 1/4 | 6 1/16 | 4 7/8 | 1/32 | 29/32 | 5 3/8 | 7/8 | 4 | 9/32 | 50.1 |
| 5V92-8-S1 | 9.15 | 9.25 | 6B | 7 3/8 | 6 | 4 3/8 | 3/16 | 1 1/4 | 6 3/8 | 1 1/16 | 3 5/16 | 3/8 | 47.3 |
| 5V97-8-S1 | 9.65 | 9.75 | 6B | 7 7/8 | 6 | 4 3/8 | 3/16 | 1 1/4 | 6 3/8 | 1 1/16 | 3 5/16 | 3/8 | 50.0 |
| 5V103-8-S1 | 10.2 | 10.3 | 6B | 8 7/16 | 6 | 4 3/8 | 3/16 | 1 1/4 | 6 3/8 | 1 1/16 | 3 5/16 | 3/8 | 63.0 |
| 5V109-8-S1 | 10.8 | 10.9 | 6B | 9 | 6 | 4 3/8 | 3/16 | 1 1/4 | 6 3/8 | 1 1/16 | 3 5/16 | 3/8 | 71.0 |
| 5V118-8-S1 | 11.7 | 11.8 | 6B | 10 | 6 | 4 3/8 | 3/16 | 1 1/4 | 6 3/8 | 1 1/16 | 3 5/16 | 3/8 | 85.0 |
| 5V125-8-S1 | 12.4 | 12.5 | 6C | 10 3/4 | 6 | 4 3/8 | 3/16 | 1 1/4 | 6 3/8 | 1 1/16 | 3 5/16 | 3/8 | 76.0 |
| 5V132-8-S1 | 13.1 | 13.2 | 6C | 11 7/16 | 6 | 4 3/8 | 3/16 | 1 1/4 | 6 3/8 | 1 1/16 | 3 5/16 | 3/8 | 79.0 |
| 5V140-8-S1 | 13.9 | 14 | 6C | 12 1/4 | 6 | 4 3/8 | 3/16 | 1 1/4 | 6 3/8 | 1 1/16 | 3 5/16 | 3/8 | 77.0 |
| 5V150-8-S1 | 14.9 | 15 | 6C | 13 1/4 | 6 | 4 3/8 | 3/16 | 1 1/4 | 6 3/8 | 1 1/16 | 3 5/16 | 3/8 | 83.0 |
| 5V160-8-S1 | 15.9 | 16 | 6C | 14 1/4 | 6 | 4 3/8 | 3/16 | 1 1/4 | 6 3/8 | 1 1/16 | 3 5/16 | 3/8 | 90.0 |
| 5V212-8-U1 | 21.1 | 21.2 | 4C | 19 3/8 | 7 11/16 | 7 1/8 | 1 13/32 | 3/32 | 8 3/8 | 1 1/2 | 5 5/8 | 15/32 | 175.0 |
| 5V250-8-U1 | 24.9 | 25 | 4C | 23 1/4 | 7 11/16 | 7 1/8 | 1 13/32 | 3/32 | 8 3/8 | 1 1/2 | 5 5/8 | 15/32 | 190.0 |
| 5V280-8-U1 | 27.9 | 28 | 4C | 26 1/4 | 7 11/16 | 7 1/8 | 1 13/32 | 3/32 | 8 3/8 | 1 1/2 | 5 5/8 | 15/32 | 222.0 |
| 5V375-8-U1 | 37.4 | 37.5 | 4C | 35 3/4 | 7 11/16 | 7 1/8 | 1 13/32 | 3/32 | 8 3/8 | 1 1/2 | 5 5/8 | 15/32 | 264.0 |
| 5V500-8-U1 | 49.9 | 50 | 4C | 48 1/4 | 7 11/16 | 7 1/8 | 1 13/32 | 3/32 | 8 3/8 | 1 1/2 | 5 5/8 | 15/32 | 393.0 |

5V-10槽ST型皮带轮
| 10槽 GROOVE,F=7 13/16 | 节径 P.D. | 外径 O.D. | 图例 Type | 内径 lnse | 尺寸 Dimensions | 重量 WT. LESS BUSH | |||||||
| 型号 Typle | 总长 O.L. | 轮宽 L | 轮套边长 P | 空边宽 C | 套外径 H | 轮套间距 G | 轮宽 X | 螺帽高 E | |||||
| 5V80-10-R2 | 7.9 | 8 | 6B | 6 1/4 | 7 3/16 | 4 7/8 | 23/32 | 1 19/32 | 5 3/8 | 7/8 | 4 | 9/32 | 43.8 |
| 5V85-10-R2 | 8.4 | 8.5 | 6B | 6 3/4 | 7 3/16 | 4 7/8 | 23/32 | 1 19/32 | 5 3/8 | 7/8 | 4 | 9/32 | 53.0 |
| 5V90-10-R2 | 8.9 | 9 | 6B | 7 1/4 | 7 3/16 | 4 7/8 | 23/32 | 1 19/32 | 5 3/8 | 7/8 | 4 | 9/32 | 59.0 |
| 5V92-10-S1 | 9.15 | 9.25 | 6B | 7 3/8 | 7 3/16 | 4 3/8 | 7/8 | 1 15/16 | 6 3/8 | 1 1/16 | 3 5/16 | 3/8 | 65.0 |
| 5V97-10-S1 | 9.65 | 9.75 | 6B | 7 7/8 | 7 3/16 | 4 3/8 | 7/8 | 1 15/16 | 6 3/8 | 1 1/16 | 3 5/16 | 3/8 | 67.0 |
| 5V103-10-S1 | 10.2 | 10.3 | 6B | 8 7/16 | 7 3/16 | 4 3/8 | 7/8 | 1 15/16 | 6 3/8 | 1 1/16 | 3 5/16 | 3/8 | 72.0 |
| 5V109-10-S1 | 10.8 | 10.9 | 6B | 9 | 7 3/16 | 4 3/8 | 7/8 | 1 15/16 | 6 3/8 | 1 1/16 | 3 5/16 | 3/8 | 78.0 |
| 5V118-10-S1 | 11.7 | 11.8 | 6B | 10 | 7 3/16 | 4 3/8 | 7/8 | 1 15/16 | 6 3/8 | 1 1/16 | 3 5/16 | 3/8 | 93.0 |
| 5V125-10-U1 | 12.4 | 12.5 | 4B | 10 3/4 | 8 3/8 | 7 1/8 | 23/32 | 25/32 | 8 3/8 | 1 1/2 | 5 5/8 | 15/32 | 132.0 |
| 5V132-10-U1 | 13.1 | 13.2 | 4B | 11 7/16 | 8 3/8 | 7 1/8 | 23/32 | 25/32 | 8 3/8 | 1 1/2 | 5 5/8 | 15/32 | 151.0 |
| 5V140-10-U1 | 13.9 | 14 | 4B | 12 1/4 | 8 3/8 | 7 1/8 | 23/32 | 25/32 | 8 3/8 | 1 1/2 | 5 5/8 | 15/32 | 177.0 |
| 5V150-10-U1 | 14.9 | 15 | 4B | 13 1/4 | 8 3/8 | 7 1/8 | 23/32 | 25/32 | 8 3/8 | 1 1/2 | 5 5/8 | 15/32 | 182.0 |
| 5V160-10-U1 | 15.9 | 16 | 4B | 14 1/4 | 8 3/8 | 7 1/8 | 23/32 | 25/32 | 8 3/8 | 1 1/2 | 5 5/8 | 15/32 | 188.0 |
| 5V212-10-U1 | 21.1 | 21.2 | 4C | 19 3/8 | 8 3/8 | 7 1/8 | 23/32 | 25/32 | 8 3/8 | 1 1/2 | 5 5/8 | 15/32 | 192.0 |
| 5V250-10-U1 | 24.9 | 25 | 4C | 23 1/4 | 8 3/8 | 7 1/8 | 23/32 | 25/32 | 8 3/8 | 1 1/2 | 5 5/8 | 15/32 | 213.0 |
| 5V280-10-U1 | 27.9 | 28 | 4C | 26 1/4 | 8 3/8 | 7 1/8 | 23/32 | 25/32 | 8 3/8 | 1 1/2 | 5 5/8 | 15/32 | 238.0 |
| 5V375-10-U1 | 37.4 | 37.5 | 4C | 35 3/4 | 8 3/8 | 7 1/8 | 23/32 | 25/32 | 8 3/8 | 1 1/2 | 5 5/8 | 15/32 | 293.0 |
| 5V500-10-U1 | 49.9 | 50 | 4C | 48 1/4 | 8 3/8 | 7 1/8 | 23/32 | 25/32 | 8 3/8 | 1 1/2 | 5 5/8 | 15/32 | 428.0 |


公司名称:上海迈动机电设备有限公司
公司地址:上海青浦工业区崧海路98号
邮政编码:201703
公司电话:021-54422420
公司传真:021-54422420-801
邮箱:shmidon@126.com
户名:上海迈动机电设备有限公司
税号:310112660703692
开户行:工行上海莘庄支行
账号:1001140209007024765
电话:021-54422420 54422402
传真:021-54422420-801
地址:上海莘庄工业园区申富路128号(开票)
地址:上海青浦工业园区崧海路98号(收货地址)
上海迈动机电设备有限公司提供17%的增值税发票;
品质100%保证,让你更放心使用。