86-021-54422420 13818829143
86-021-54422402 17701898099
All products
联轴器 Coupling
传动轮 Pulley
胀套 Lock
丝杆导轨 ScrewGuide
离合制动器 Clutch
传动器 Actuators
皮带 Belt
电机 Motor
轴承 Bearing

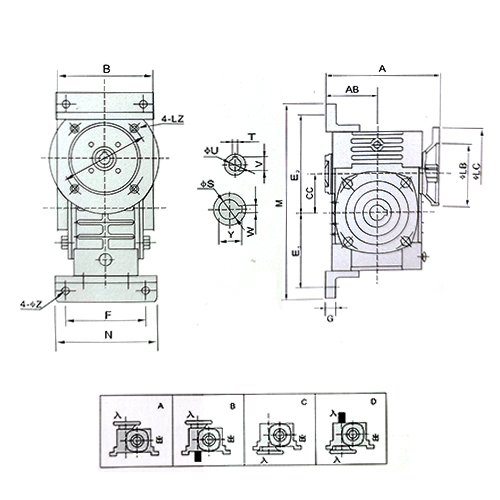
FCWDKL(WPWDKT)单级万能型涡轮杆减速机


| 型号 Size | 速比&KW(4P) | A | AB | B | CC | E1 | E2 | F | M | N | G | Z | 法兰Flange | 入力孔Input Hole | 出力孔Output Hole | 重量 KG | |||||||
| 1/10-1/30 | 1/40-1/60 | LA | LB | LC | LZ | U | TxV | S | W | Y | |||||||||||||
| 40 | 0.37 | 141 | 63 | 88 | 40 | 72 | 97 | 70 | 190 | 90 | 10 | 11 | 130 | 110 | 160 | M8 | 14 | 5X16.3 | 19 | 6 | 21.8 | 6 | |
| 0.18 | 138 | 115 | 95 | 140 | M8 | 11 | 4X12.8 | ||||||||||||||||
| 50 | 0.37 | 158 | 72 | 98 | 50 | 90 | 110 | 95 | 225 | 120 | 14 | 11 | 130 | 110 | 160 | M8 | 14 | 5X16.3 | 20 | 6 | 22.8 | 9 | |
| 0.18 | 155 | 115 | 95 | 140 | M8 | 11 | 4X12.8 | ||||||||||||||||
| 60 | 0.55 | 176 | 80 | 106 | 60 | 102 | 129 | 105 | 260 | 130 | 15 | 11 | 165 | 130 | 200 | M10 | 19 | 6X21.8 | 25 | 8 | 28.3 | 13 | |
| 0.37 | 172 | 130 | 110 | 160 | M8 | 14 | 5X16.3 | ||||||||||||||||
| 70 | 0.75 | 205 | 95 | 124 | 70 | 120 | 155 | 115 | 305 | 150 | 18 | 15 | 165 | 130 | 200 | M10 | 19 | 6X21.8 | 30 | 8 | 33.3 | 17 | |
| 0.37 | 130 | 110 | 160 | M8 | 14 | 5X16.3 | |||||||||||||||||
| 80 | 1.5 | 239 | 105 | 136 | 80 | 140 | 180 | 135 | 350 | 170 | 18 | 15 | 165 | 130 | 200 | M10 | 24 | 8X27.3 | 35 | 10 | 38.3 | 25 | |
| 0.75 | 235 | 19 | 6X21.8 | ||||||||||||||||||||
| 100 | 1.5 | 1.5 | 286 | 135 | 176 | 100 | 165 | 215 | 155 | 416 | 190 | 20 | 15 | 165 | 130 | 200 | M10 | 24 | 8X27.3 | 40 | 12 | 43.3 | 38 |
| 120 | 3 | 2.2 | 342 | 160 | 194 | 120 | 195 | 255 | 180 | 496 | 230 | 22 | 18 | 215 | 180 | 250 | M12 | 28 | 8X31.3 | 45 | 14 | 48.8 | 65 |
| 135 | 4 | 3 | 385 | 185 | 210 | 135 | 230 | 285 | 200 | 562 | 250 | 22 | 18 | 215 | 180 | 250 | M12 | 28 | 8X31.3 | 60 | 18 | 64.4 | 84 |
| 155 | 5.5 | 445 | 220 | 260 | 155 | 250 | 305 | 220 | 605 | 280 | 25 | 20 | 265 | 230 | 300 | M12 | 38 | 10X41.3 | 70 | 20 | 74.9 | 120 | |
| 4 | 215 | 180 | 250 | M12 | 28 | 8X31.3 | |||||||||||||||||
公司名称:上海迈动机电设备有限公司
公司地址:上海青浦工业区崧海路98号
邮政编码:201703
公司电话:021-54422420
公司传真:021-54422420-801
邮箱:shmidon@126.com
户名:上海迈动机电设备有限公司
税号:310112660703692
开户行:工行上海莘庄支行
账号:1001140209007024765
电话:021-54422420 54422402
传真:021-54422420-801
地址:上海莘庄工业园区申富路128号(开票)
地址:上海青浦工业园区崧海路98号(收货地址)
上海迈动机电设备有限公司提供17%的增值税发票;
品质100%保证,让你更放心使用。
ADD:上海迈动机电设备有限公司 备案号:沪ICP备15037005
TEL:86-021-54422420,021-544227902 ,021-54422402 MB:13818829143,17701898099